1开关电源功率变压器的特性
功率变压器是开关电源中非常重要的部件,它和普通电源变压器一样也是通过磁耦合来传输能量的。不过在这种功率变压器中实现磁耦合的磁路不是普通变压器中的硅钢片,而是在高频情况下工作的磁导率较高的铁氧体磁心或铍莫合金等磁性材料,其目的是为了获得较大的励磁电感、减小磁路中的功率损耗,使之能以最小的损耗和相位失真传输具有宽频带的脉冲能量。
图1(a)为加在脉冲变压器输入端的矩形脉冲波,图1(b)为输出端得到的输出波形,可以看出脉冲变压器带来的波形失真主要有以下几个方面:

图1脉冲变压器输入、输出波形
(a)输入波形(b)输出波形
(1)上升沿和下降沿变得倾斜,即存在上升时间和下降时间;
(2)上升过程的末了时刻,有上冲,甚至出现振荡现象;
(3)下降过程的末了时刻,有下冲,也可能出现振荡波形;
(4)平顶部分是逐渐降落的。
这些失真反映了实际脉冲变压器和理想变压器的差别,考虑到各种因素对波形的影响,可以得到如图2所示的脉冲变压器等效电路。
图中:Rsi——信号源Ui的内阻
Rp——一次绕组的电阻
Rm——磁心损耗(对铁氧体磁心,可以忽略)
T——理想变压器
Rso——二次绕组的电阻
RL——负载电阻
C1、C2——一次和二次绕组的等效分布电容
Lin、Lis——一次和二次绕组的漏感
Lm1——一次绕组电感,也叫励磁电感
n——理想变压器的匝数比,n=N1/N2

图2脉冲变压器的等效电路
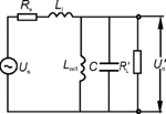
将图2所示电路的二次回路折合到一次,做近似处理,合并某些参数,可得图3所示电路,漏感Li包括Lin和Lis,总分布电容C包括C1和C2;总电阻 RS包括Rsi、RP和Rso;Lm1是励磁电感,和前述的Lm1相同;RL′是RL等效到一次侧的阻值,RL′=RL/n2,折合后的输出电压U′o= Uo/n。
经过这样处理后,等效电路中只有5个元件,但在脉冲作用的各段时间内,每个元件并不都是同时起主要作用,我们知道任何一个脉冲波形可以分解成基波与许多谐波的叠加。脉冲的上升沿和下降沿包含着各种高频分量,而脉冲的平顶部分包含着各种低频分量。因此在上升、下降和平顶过程中,各元件(L、C等)表现出来的阻抗也不一样,因此我们把这一过程分成几个阶段来分析,分别找出各阶段起主要作用的元件,而忽略次要的因素。例如,当输入信号为矩形脉冲时,可以分3个阶段来分析,即上升阶段、平顶阶段和下降阶段。
(1)上升阶段
对于通常的正脉冲而言,上升阶段即脉冲前沿,信号中包含丰富的高频成分,当高频分量通过脉冲变压器时,在图3所示的等效电路中,C的容抗1/ωC很小,而Lm1的感抗ωLm1很大,相比起来,可将Lm1的作用忽略,而在串联的支路中,Li的作用即较为显著。于是可以把图3 所示的等效电路简化成图4所示的等效电路。

图3图2的等效电路
图4图3的简化电路
在这个电路中,频率越高,ωLi越大,而1/ωC越小,因而高频信号大多降在Li上,输出的高频分量就减少了,可见输入信号Usm前沿中所包含的高频分量就不能完全传输到输出端,频率越高的成分到达输出端越小,结果在输出端得到的波形前沿就和输入波形不同,即产生了失真。
要想减小这种波形失真,就要尽量减小分布电容C(应减小变压器一次绕组的匝数)。但又要得到一定的绕组电感量,所以需要用高磁导率的磁心。在绕制上也可以采取一些措施来减小分布电容,例如用分段绕法;为了减小漏感L1,可采用一、二次绕组交叠绕法等。