l 有半个体二极管,不需要反并联SBD以降低续流损耗并提升效率
l 封装种类齐全,包括贴片QFN/DFN/TOLL和插件TO-220/TO-247等封装形式,覆盖全功率范围应用场景
l 有直接替代料,持续大批量供货无忧

但是,氮化镓普遍存在一些局限,包括雪崩能力偏弱,漏源需要提升过电压能力;还有电流抗冲击能力有待提升,在半桥电路中要预防上下管直通。针对前者,镓未来氮化镓过压能力突出,比如标定耐压650V器件,其Vds在800V下非可重复和750V下可重复的尖峰电压持续时间高达30us。针对后者,驱动器需要具备Interlock功能,即当DSP数字控制器或者模拟控制器给出的上下管驱动电压同时为高时,驱动器通过自身逻辑控制,将上下管驱动电压锁定为低,确保氮化镓器件不会直通并安全工作。在AC输入动态、DC输出动态、雷击浪涌等情况下,DSP数字控制器或模拟控制器可能因为外部干扰,输出误动作信号,具有Interlock功能的驱动器可以有效的保护氮化镓器件。
镓未来应用开发团队具有丰富的数字控制和模拟控制经验,已经将半桥氮化镓驱动电路归一化,即统一采用纳芯微NSi6602隔离驱动器。

NSi6602隔离驱动器系统框图
根据NSi6602的逻辑表,DT脚实现输出Interlock功能或者死区调节功能。同时,NSi6602输入信号和输出信号隔离,这样便于PCB板布线,进一步提升抗干扰性能。NSi6602抗共模干扰能力CMTI高达150V/ns,这个在大功率短路和过流保护的时候很重要。另外其上下驱动的差模电压可达1500V,也适用于900V氮化镓器件以及三相系统的应用。

NSi6602逻辑表
好马配好鞍,镓未来氮化镓和纳芯微隔离驱动器比翼双飞,成双成对出现,隔离驱动器保证了异常工作情况下对氮化镓器件的有效保护,完美展现了氮化镓在先进应用中高效率低损耗的核心价值,让工程师放心无忧采用氮化镓。
在实际应用中,BTP PFC采用两颗NSi6602,分别驱动两颗氮化镓快管和两颗Si MOSFET慢管。在LLC部分,如果是半桥LLC,采用一颗NSi6602,如果是全桥LLC,采用两颗NSi6602。

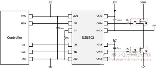
NSi6602典型应用图
针对不用的应用要求,NSi6602提供了不同隔离电压等级和封装类型的系列产品,具体参考下表。

NSi6602隔离驱动器产品选型表
第三部分:丰富的应用案例
便携式储能用GaN双向逆变器:
l AC侧支持全球电压范围,包括中欧规和美日规
l DC侧典型电压为48V,可定制
l 功率为2kW,支持各种过载工作
l BTP PFC采用两颗G1N65R035TB-N (35m /650V, TO-247-3L)氮化镓和两颗NSi6602B-PSDNR,工作频率为65kHz
l 全桥LLC采用四颗G1N65R070TA-H (70m /650V, TO-220)氮化镓和两颗NSi6602B-PSDNR,谐振频率为120kHz